

Reactor Internals Manufacturer for Petrochemical & Fine Chemical Plants
Reactor Internals & Process Equipment Solutions
We specialize in high-efficiency reactor internals and custom process equipment, precision-engineered to fit your exact operational envelope.
Hydroprocessing reactors in the refining and petrochemical industry require precise designs. Ekaislot has developed strong expertise in manufacturing and designing reactor internals, earning recognition from major licensors, oil companies, and EPC contractors.
Tower Internals
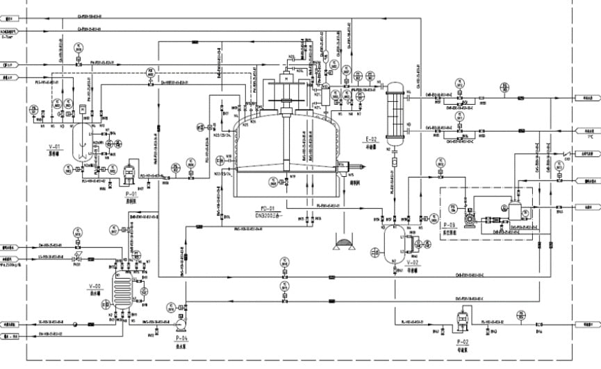
We design and fabricate reactor and column internals, including liquid and vapor distributors, collectors, support grids, trays, demister pads, and packing supports. Each assembly is tailored to your media, temperature, pressure, corrosion profile, and plot space limits with documented materials and qualified weld procedures for full traceability.
Pressure Vessels
Throughout the entire manufacturing process, we adhere to stringent quality control procedures. Our pressure vessels are capable of withstanding extremely high internal and external pressures and are suitable for a wide variety of application scenarios.
Thin Film Evaporator
Continuous duty for sensitive or viscous media. We focus on stable film formation, efficient heat transfer, service-friendly seals, and inspection points that keep maintenance predictable.
Pilot Plant
Co-develop pilot and demo units to de-risk scale-up. Skid-mounted and instrumented, with clear interfaces for utilities, controls, and data capture—ready for commissioning and iteration.
Agitated Nutsche Filter Dryer
Integrated filtration, washing, and drying in one closed vessel. It minimizes manual handling, reduces operator exposure, and keeps production stable and predictable.
Industries & Solutions for Reactor Internals
and Separation Systems
We align internals and equipment to the realities of each sector—temperature/pressure, corrosion, fouling, batch variability, cleanliness, documentation, and footprint.

Petrochemical & Refining
- Challenges: High T/P, corrosive media, reliability pressures, tight shutdown windows.
- Solutions: Reactor internals, high-efficiency separation, revamp-friendly designs, complete QA packages.
- Outcome: Steady yields, predictable start-ups, and easier maintenance.

Fine Chemicals & New Materials
- Challenges: Variable batches, selectivity, shear sensitivity, strict specs.
- Solutions: Tailored distribution/collection, specialty metallurgy, pilot trials to lock process windows.
- Outcome: Consistent quality with faster changeovers.

Pharma & Biotech
- Challenges: Cleanliness, traceability, cleaning validation, documentation rigor.
- Solutions: Hygienic-leaning details, documented material trace, controlled fabrication and inspection.
- Outcome: Repeatable, auditable runs for regulated environments.

Power & Utilities
- Challenges: Uptime, MTBF, lifecycle cost, predictable spares.
- Solutions: Rugged internals, qualified weld procedures, NDT plans tied to operating duty.
- Outcome: Reliability with fewer unplanned outages.

Ammonia & Fertilizers
- Challenges: Carbamate corrosion, high pressure, foaming carryover, tight turnaround windows.
- Solutions: Corrosion-resistant reactor/column internals, vane/knitted mist eliminators, special-alloy welds and documented QA, optional pilot skids for debottlenecking.
- Outcome: Reduced carbamate carryover, steadier stripper/condenser operation, longer run lengths between washes, more predictable turnarounds.

Environmental & Battery
- Challenges: Complex slurries, fouling, evolving specs, scale-up uncertainty.
- Solutions: Adaptable internals, separation upgrades, pilot skids for iterative proof.
- Outcome: Stable performance as volumes and specs grow.
Industries & Solutions for Reactor Internals
and Separation Systems
We align internals and equipment to the realities of each sector—temperature/pressure, corrosion, fouling, batch variability, cleanliness, documentation, and footprint.

Low-Temperature Solvent Removal Solution for Biopharmaceuticals
Talk to an EngineerProblem to Solve: A biopharmaceutical enterprise needed to perform low-temperature ...

Concentration and Alcohol Removal Solution for TCM Extracts
Talk to an EngineerProblem to Solve: A TCM factory needed to perform concentration ...

Solvent Recovery Solution for Antibiotic APIs
Talk to an EngineerProblem to Solve: An antibiotic production enterprise encountered prominent problems ...

Refining Solution for Biodiesel Production
Talk to an EngineerProblem to Solve: A biodiesel production enterprise faced the problems ...

Recovery Solution for Lithium Battery Waste Electrolyte
Talk to an EngineerProblem to Solve: A new energy material enterprise needed to ...

Regeneration Solution for Waste Lubricating Oil
Talk to an EngineerProblem to Solve: A waste lubricating oil regeneration enterprise in ...
Reactor Internals & Process Equipment Manufacturer
EKAI specializes in reactor internals and process equipment for demanding operating conditions. Starting from your process, we co-design and manufacture to help plants increase throughput, uptime, and safety.
We have extensive experience fully complying with the stringent specifications of licensors such as UOP, Axens, Topsoe and Lurgi, ensuring smooth approvals and seamless project execution.
- 0+Years
ASME U Certification
- 0+
Listed Companies Partnered
- 0+
Global Projects Delivered
- 0%
RT on Critical Welds
COOPERATION STEPS SECTION TEXT
How We Deliver: Co-Design to Compliant Release
Every phase is gated by documentation and formal reviews. You see the plan, the risks, and the decisions before we cut metal.
Deep Experience & Leadership for Industry Innovation
With extensive industry experience, EKAI proactively embraces transformation and reform, consistently leading technological advances and driving industry integration and innovation.
Empowering Diverse Industries
Leveraging EKAI’s extensive experience in traditional sectors and collaboration with leading universities, we proactively enter emerging industries such as new energy, biopharma, and environmental technology, driving sustained innovation with solid technical reserves.

Enhanced Project Delivery
From initial co-design to final delivery, EKAI integrates our engineering expertise and manufacturing precision to ensure every project is reliable, efficient, and compliant with the highest standards.

Our Expert Team
Three specialists covering process & safety, mechanical systems, and manufacturing—supporting reactor internals and process equipment projects end to end.

Trust Center: Certifications, QA Documentation & Compliance

Design & Manufacturing Standards
Pressure equipment to ASME U / GB 150 D-Class, built and released under controlled documentation procedures.
Certifications
ASME U & GB 150 D-Class pressure vessel standards; ISO 9001 (Quality), ISO 14001 (Environment), ISO 45001 (Occupational Health & Safety).
QA Documentation on Release
Complete documentation package including ITP, WPS, PQR, MTRs, NDE, FAT—with revision control and traceable sign-off.
Third-party Verification
Defined hold points with third-party witness and audit support as required.
Case Highlights for Reactor Internals and Process Equipment
Explore our reactor internals and process equipment deliveries to see proven approaches you can apply next.
Partners & Qualified Customers
Authorized partner and customer logos are shown below. We only display brands with written consent.

Start Your Project
Whether you need reactor internals, a thin film evaporator, a pilot skid, or separation internals, we’ll align scope, milestones, and compliance early to make delivery predictable.
BLOGS
Expert Articles on Reactor Internals Professional Knowledge
Find deep insights into the design, manufacturing, and performance of reactor internals. Our expert-written articles cover the latest innovations, material technologies, and market information.

February 4, 2026
Application of Continuous Flow Reactors in High-Risk Processes
According to the list of high-risk processes published in the “Emergency Notice

February 4, 2026
Application Progress of Continuous Flow Microchannel Reactors in the Pharmaceutical Industry
The core advantages and driving factors of continuous flow technology
Continuous Flow

February 4, 2026
Catalytic Reforming Process Key Equipment and Operational Efficiency
Catalytic reforming plays a crucial role in refineries worldwide. This article will

February 4, 2026
Continuous Flow Microchannel Reactors in the New Materials Industry 1
Technical advantages and industry value:
As a revolutionary innovation in the field






























